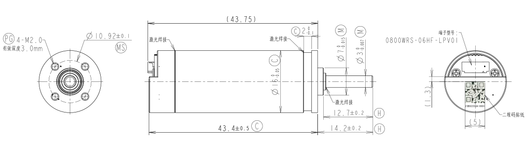
減速箱技術數據
| 級數 | 4 |
| 減速比 | 141.00 |
| 最大傳連續輸功率(W) | 0.50 |
| 最大瞬時傳輸功率(W) | 0.80 |
| 最大連續轉矩(Nm) | 0.100 |
| 最大瞬時轉矩(Nm) | 0.13 |
| 最高連續輸入轉速(rpm) | 12000 |
| 最高瞬時輸入轉速(rpm) | 15000 |
| 最大效率(%) | 65.00 |
| 空載平均空回(°) | 0.00 |
| 最大軸向動態載荷(N) | 5.00 |
| 最大徑向載荷(離法蘭6.5mm處)(N) | 25.00 |
| 齒輪箱長度L1(mm) | 43.40 |
| 重量(G) | 41.00 |
推薦型號
| 型號 | 額定電壓 (V) |
空載數據 | 負載數據 | 總長(mm) | 齒輪箱額定容許力矩(Nm) | 齒輪箱瞬間容許力矩(Nm) | 減速比 | 減速箱長 L1(mm) | |||
| 空載轉速(rpm) | 空載電流(mA max) | 負載 轉速(rpm) |
負載 電流(mA Max) |
轉矩(Kg.cm) | |||||||
| GM20149-01 | 12 | 90 | 22 | 50 | 120 | 1.00 | 43.4 | 0.100 | 0.200 | 141 | 43.400 |
設計圖紙

















查看詳情


Φ16mm 正傳動減速箱(零回差版本)規格書
